Κανονικά, ο μετατροπέας μετατρέπει την πηγή ισχύος DC (Direct Current) σε εναλλασσόμενο ρεύμα (εναλλασσόμενο ρεύμα).
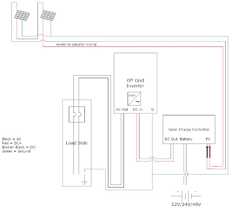
Grid Tie Inverters επίσης γνωστό ως μετατροπείς δικτύου που μπορείτε να συνδεθείτε απευθείας στο δίκτυο Utility. Ναι, το σπίτι σας θα έχει δύο διαφορετικές πηγές ενέργειας και δεν θα εκραγεί. Υπάρχει ένας μικροελεγκτής που συγχρονίζει την παραγόμενη ισχύ στο δίκτυο. Δεν μπορείτε να το κάνετε αυτό σε κανονικούς ή Off Grid Inverters . Εάν συνδέσετε το μετατροπέα εκτός δικτύου στις γραμμές του δικτύου, ο μετατροπέας θα έχει ΒΛΑΒΗ και μπορεί να προκαλέσει βλάβες και πυρκαγιά, επειδή δεν έχει σχεδιαστεί για να συγχρονίζει την παραγόμενη ισχύ στο δίκτυο. Οι υβριδικοί μετατροπείς εκτός δικτύου (HOG), επίσης γνωστοί ως αντιστροφέας πλέγματος με εφεδρική μπαταρία, είναι απλά ένας συνδυασμός μετατροπέων GTI και Off-Grid Inverters . Ακολουθούν οι διαφορές μεταξύ αυτών των 3 τύπων μετατροπέων
Συνδεδεμένο πλέγμα | Εκτός δικτύου | Υβρίδιο | |
AC In | Ναί | Κανένας | Ναί* |
AC Out | Κανένας | Ναί | Ναί* |
Απαιτείται παροχή δικτύου για συγχρονισμό δικτύου | Ναί | Οχι | Ναί |
Σβήνει όταν το πλέγμα είναι κάτω | Ναί | Οχι | Οχι** |
Αντι-νησιωτική προστασία | Ναί | Οχι | Ναί |
Ενεργοποιεί τα φορτία κατά τη διάρκεια της αστοχίας του δικτύου (μαύρο) | Οχι | Ναί | Οχι |
Συνδέεται απευθείας στην πρίζα | Ναί | Οχι | Ναι (AC In ή AC Terminal) |
Τροφοδοτεί όλη την ενέργεια που παράγεται στη γραμμή πλέγματος | Ναί | Οχι | Όχι (Τροφοδοτεί μόνο την πλεονάζουσα ισχύ) |
Η τοπική ηλεκτρική εταιρεία αγοράζει πλεόνασμα ή πλεόνασμα ισχύος | Ναί | Οχι | Ναί |
Προστασία υπερφόρτωσης | Οχι | Ναί | Ναί** |
Κόστος μετατροπέα | Υψηλός | Χαμηλός | Πολύ ψηλά |
Πλήρες κόστος εγκατάστασης | Χαμηλός | Πολύ ψηλά | Υψηλός |
Φόρτιση δικτύου | Ναί | Κανένας | Ναί |
* Συνδέστε το AC In ή το τερματικό εναλλασσόμενου ρεύματος στην πρίζα ή στη γραμμή του δικτύου, ενώ έχετε πρόσβαση στο AC Out στις συσκευές σας
** Μόνο κρίσιμα φορτία
Υβριδική ρύθμιση
Ρύθμιση ισορροπίας πλέγματος
Απενεργοποίηση ρύθμισης δικτύου











